Фторовый регулирующий клапан с пневматической диафрагмой характеризуется корпусом и крышкой клапана, изготовленными из нержавеющей стали, сердечником клапана, изготовленным из фторсодержащего материала, и пневматическим приводом, использующим сжатый воздух или газ в качестве источника энергии. Фторсодержащий материал, являющийся основным компонентом регулирующего клапана, обладает превосходной коррозионной стойкостью и хорошими герметизирующими характеристиками, что обеспечивает стабильную работу в агрессивных средах, таких как сильные кислоты, сильные щелочи и сильные окислители.


Технические данные
Диапазон давления: PN16~PN64, ANSI 150 фунтов~ANSI 300 фунтов
Диапазон размеров: DN20 (3/4 дюйма) ~ DN300 (12 дюймов)
Баланс давления: сильфон из нержавеющей стали.
Диапазон температур:-40 градусов ~250 градусов
Стандартный
Конструкция: ANSI B16.34, API 6D, ISO 5208, DIN 3356, JIS B2071, BS 1873, GB/T 12237, GB/T 12238, EN 593 и т. д.
Заглушка: нержавеющая сталь 1Crl8Ni9Ti, 1Crl8Ni12M02Ti (металлическое седло), резиновое кольцо из нержавеющей стали 304/316+PTFE (мягкое седло)
Преимущества
Конструкция клапана компактна, имеет S-образный канал обтекаемой формы, поэтому потери давления на нем невелики.
Большой расход, широкий диапазон регулировки.
Высокая точность характеристик расхода в соответствии со стандартами IEC534-2.
Утечка регулятора соответствует стандарту ANSI 16.104.
Компактная конструкция, большая выходная сила.
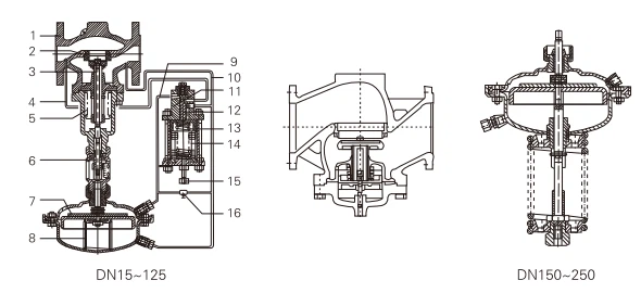
Основные размеры



горячая этикетка : пневматический мембранный регулирующий клапан фтора, Китай пневматические мембранные регулирующие клапаны фтора производители, поставщики, завод, Электрический штрих с прямым ходом управляющий клапан подкладок, управляющий клапан для управления обратным давлением, управляющий клапан для железной дороги, Электрический одно сиденье электронный клапан управления потоком парового потока, Бронзовые электрические клапаны управления головкой, Электрический трехсторонний клапан управления разделителями











